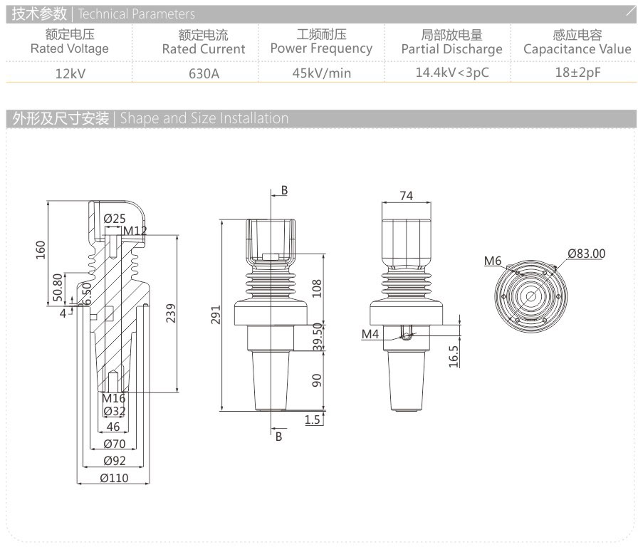
MFL-12-239 环保柜出线套管

24小时服务热线:

0577-6176 6622

1a.jpg