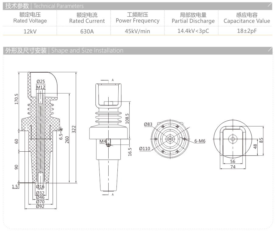
MFL-12-260 环保柜出线套管

24小时服务热线:

0577-6176 6622

3a.jpg