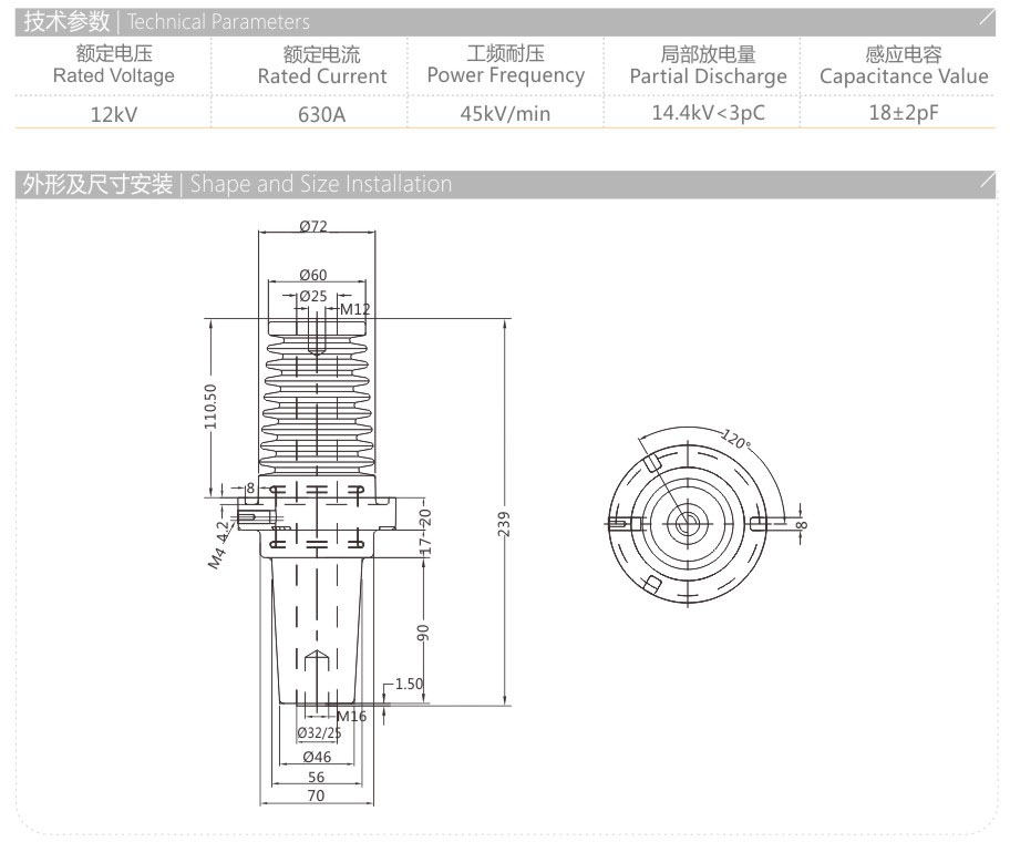
MFL-12-239 环保柜顶扩套管

24小时服务热线:

0577-6176 6622

8a.jpg