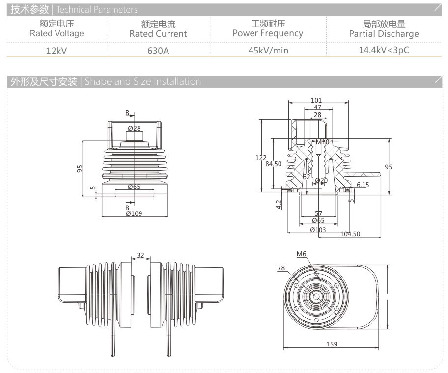
MFL-12/127(I1型) 环保柜侧扩套管

24小时服务热线:

0577-6176 6622

12a.jpg