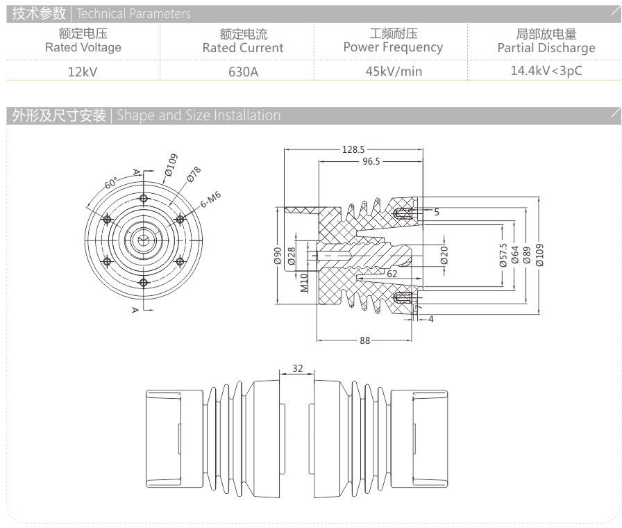
MFL-12-88 环保柜侧扩套管

24小时服务热线:

0577-6176 6622

13a.jpg