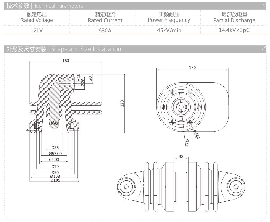
MFL-12-130 环保柜异型侧扩套管

24小时服务热线:

0577-6176 6622

14a.jpg