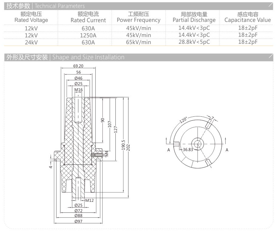
MFL-12-202 套管

24小时服务热线:

0577-6176 6622

4a.jpg