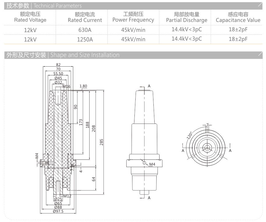
MFL-12-285 套管

24小时服务热线:

0577-6176 6622

8a.jpg