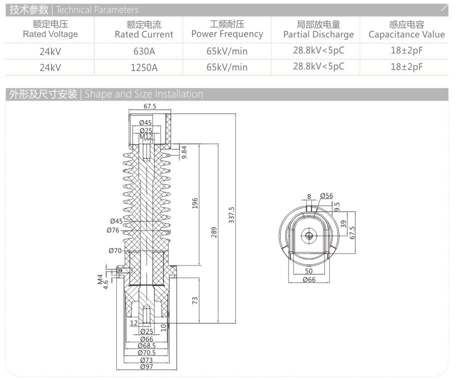
MFL-24-289 计量柜套管

24小时服务热线:

0577-6176 6622

9a.jpg