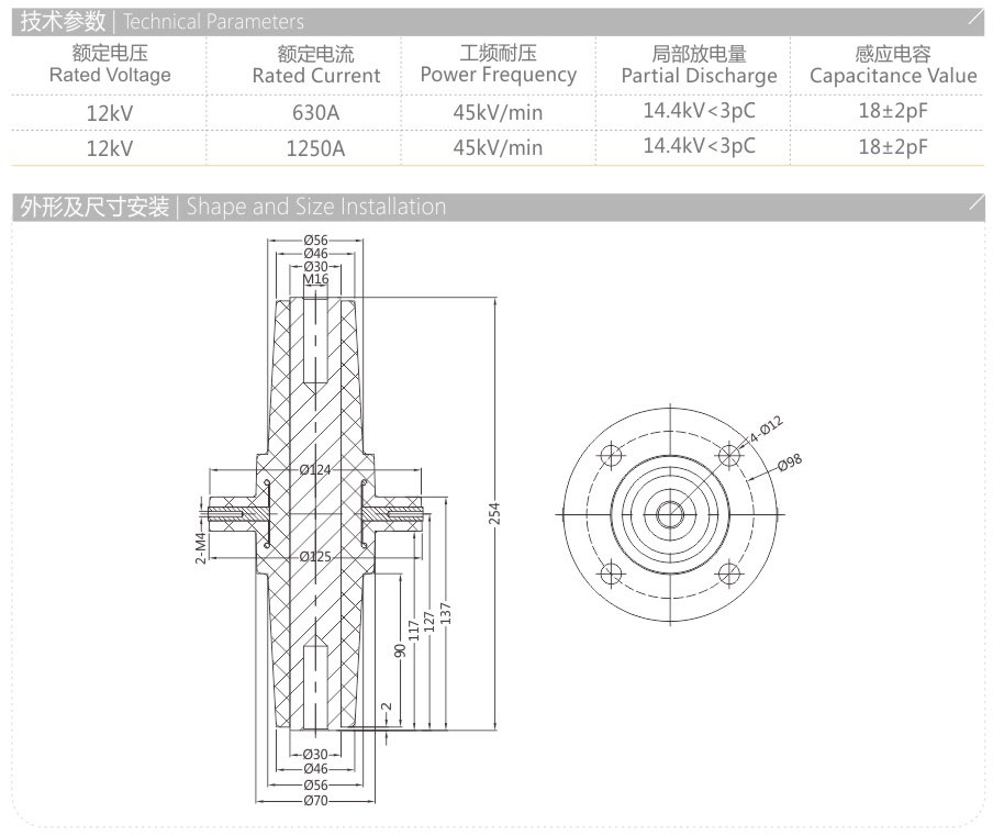
MFL-12-254 对接套管

24小时服务热线:

0577-6176 6622

2a.jpg