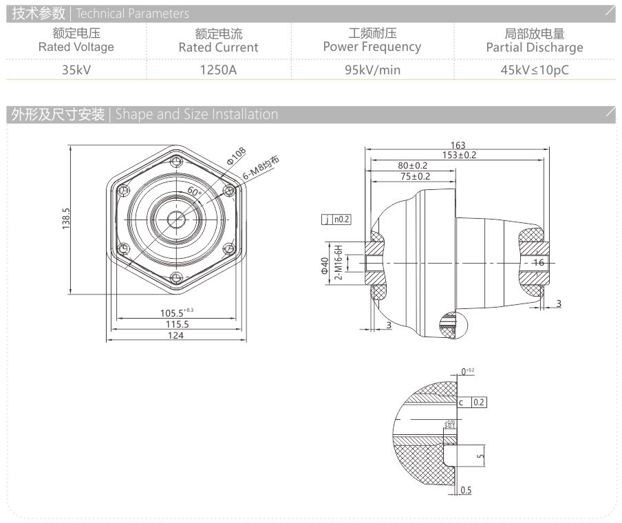
MFL-35/163单向连接套管-40

24小时服务热线:

0577-6176 6622
产品详情

1a.jpg