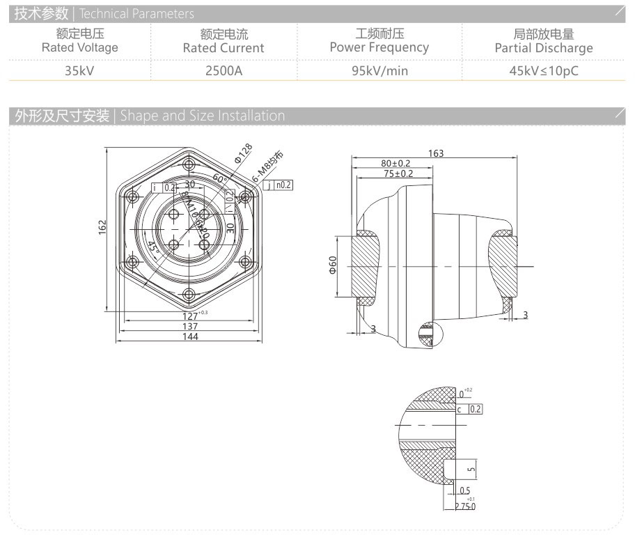
MFL-35/163单向连接套管-60

24小时服务热线:

0577-6176 6622
产品详情

2a.jpg