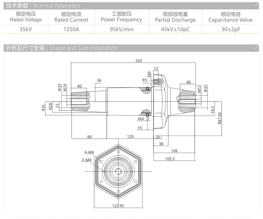
MFL-35/320 C-GIS六边套管

24小时服务热线:

0577-6176 6622
产品详情

6a.jpg