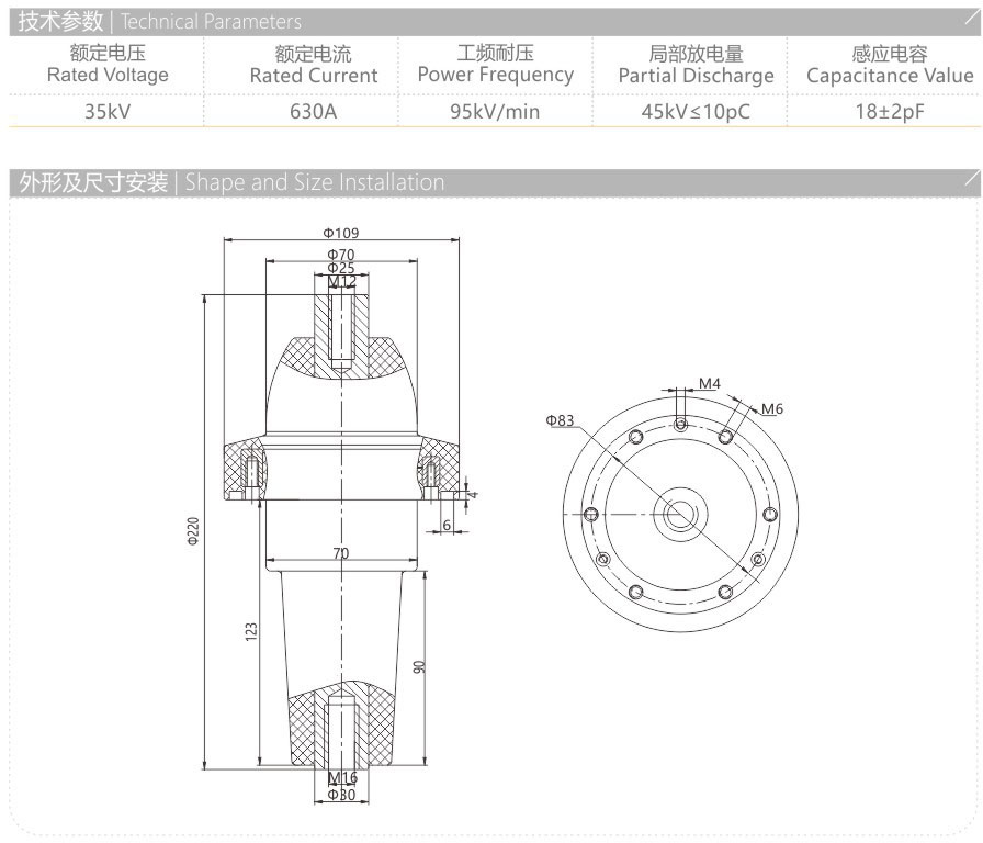
MFL-35/220套管

24小时服务热线:

0577-6176 6622
产品详情

9a.jpg