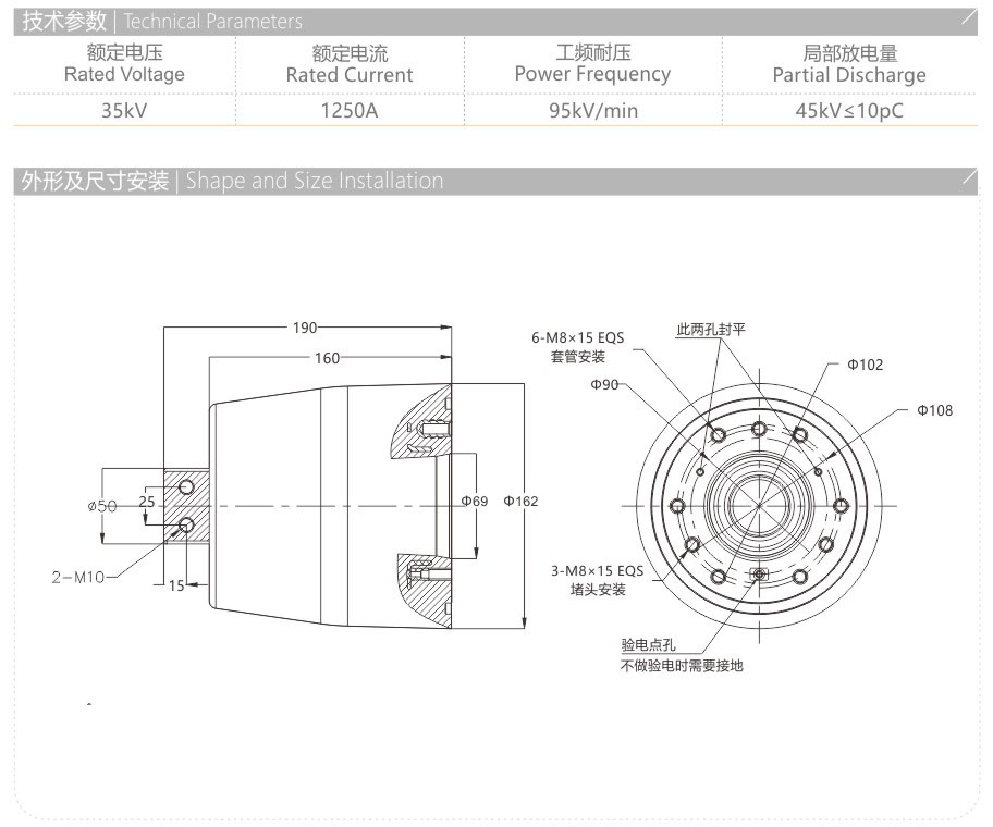
MFL-35/2#·HB环保内锥套管(带验电点缺位)

24小时服务热线:

0577-6176 6622
产品详情

14a.jpg