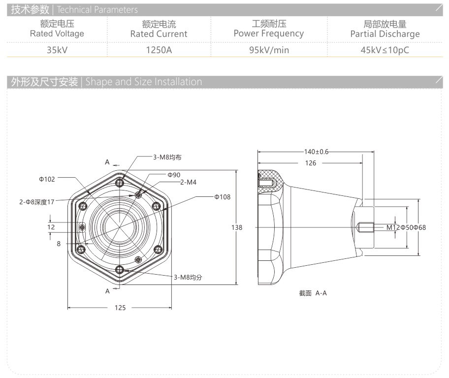
MFL-35/2#内锥式绝缘子(带验电)

24小时服务热线:

0577-6176 6622
产品详情

16a.jpg